B & D Murkin
UK main importers for
Le Tonkinois varnish
Flexidisc sander
Old type thermostat controllers
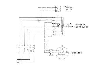
for D1L D3L D4L D5L D7L and Fan matrix
Early generation heaters like D1L D3L D4L D5L used a completely different type of controller. These thermostat type controllers are not compatible with modern air heaters. Similarly these old heaters cannot use modern controllers. Most non current Eberspacher controllers not shown on previous pages will be of this type. There are several different controller versions around but no Eberspacher manuals are available. I have details of this particular one, others I cannot help with wiring connections or advice. Most of them are suitable for switching on / off the fans in water heater fan matrixes but may need an additional relay to switch the high current.
Universal switch
Early generation heaters like D1L D3L D4L D5L often have a switch which selects Ventilation, Off, Full and Half power settings. Its physical appearance is fairly similar to the rheostat controller and the two may be confused. They are not interchangeable. Some of the older manuals are poor quality reproductions and circuit drawings of the switch are not clear.
Universal switch panel label.
Switch contains a 12 or 24v bulb.
Universal switch left, rheostat right.
Universal switch left, rheostat right looks similar.
Terminal view of Universal switch left, rheostat right.
D7L wiring with Thermostat switching from
Full to Half power.
D7L wiring with Thermostat switching
On and Off.
Complicated switch drawings can be difficult to interpret. This shows which Universal switch pins are joined together in the four switch positions.
D1L or D3L heater switched thermostat.
Unfortunately nothing on older Eberspacher controllers is straightforward.
There is a controller in the same case with a label Comfort which is not a thermostat.
It probably is an early version of the 301 produced for the D#LC models.
It is almost impossible to identify the type of 301 from the front panel and there are such a large number of variations I cannot advise even with the left section of case removed. Better to buy a modern controller.
Warning - The 301 numbering range is also used for later non thermostat versions. For details of both types see controllers list on http://www.eberspacher.com/download-centre/technical-documents/controllers.html 12 and 24 volt versions are listed with different part numbers.
301 Thermostat
VW Westfalia Controller.


The controller has various front panel fixtures and is often in VW Westfalia T3 / T25 Camper vans with D2L heaters. The 3 position switch selects Heat / Off / Ventilation. Thanks to an Ebay seller for these photos.
Page from Eberspacher D2L manual.
That is all the information we have on this controller.
Page 1 covers current controllers
Page 2 continues with more controllers
Page 3 covers older thermostat type controllers
Page 4 covers adding a second controller
Normal switches or thermostats can replace a faulty Universal switch on a D1L or D3L.